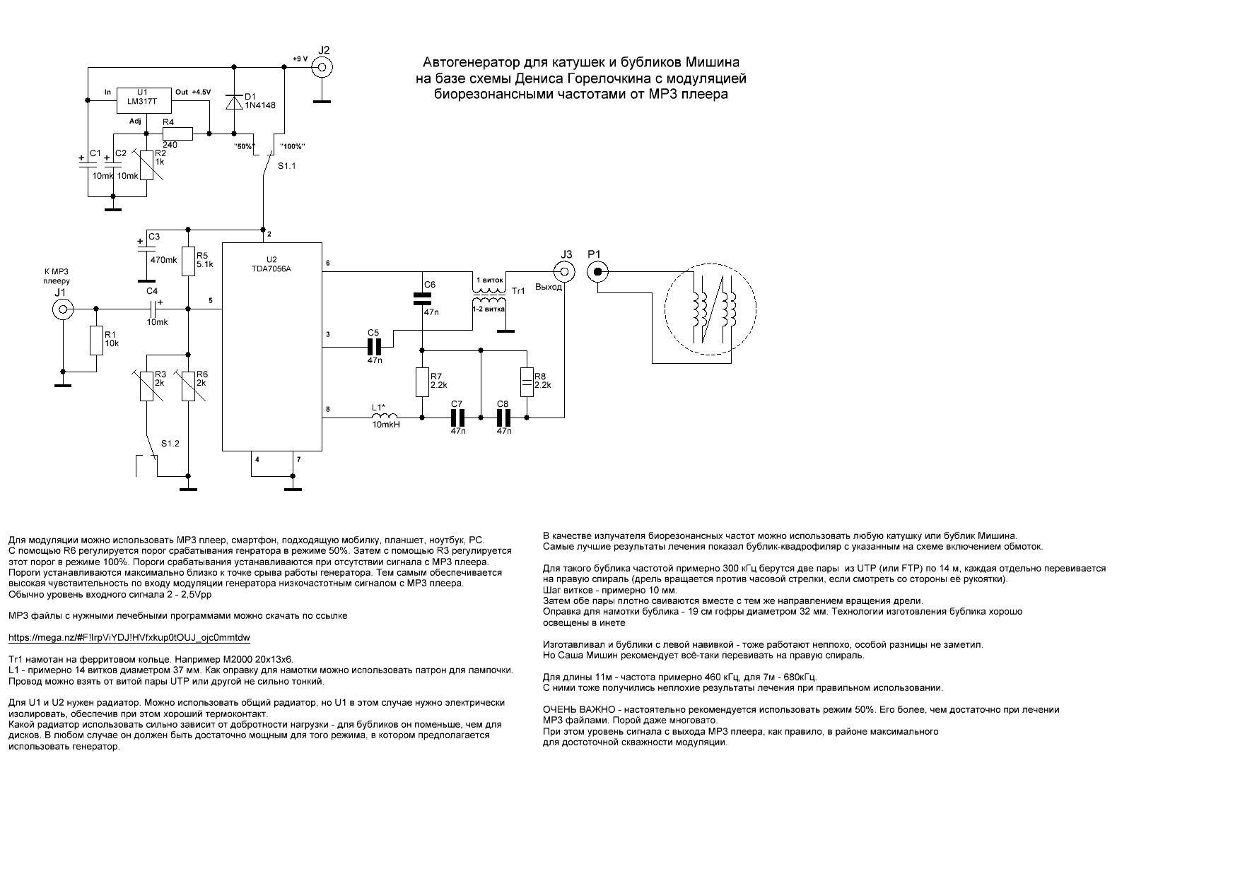
Речь пойдет о том как изготовить относительно простой генератор для катушек Мишина с модуляцией био-резонансными частотами, о которых шла речь в предыдущей части статьи, где также была дана ссылка на облачное хранилище, из которого можно скачать лечебные звуковые файлы в формате MP3. Также оттуда же можно скачать электронные схемы генераторов для катушек Мишина. Вот одна из таких схем, относительно простая в изготовлении и настройке. Рекомендации по изготовлению и настройке даны прямо на самой схеме. В облачном хранилище она в хорошем качестве, в статье рисунок уменьшенный и качество похуже.
Эту схему можно еще упростить, отказавшись от двух уровней мощности выходного сигнала - оставить только один уровень - меньший, который является основным рабочим режимом для такого рода генераторов. Для этого нужно взять блок питания +5 V 1 A (вместо +9 V) и убрать из схемы U1 (вместе со всей её обвязкой - c1, C2, R2, R4, D1), S1 и R3.
ВАЖНОЕ ПРЕДУПРЕЖДЕНИЕ. ПОКА ВЫ НЕ ЗНАЕТЕ РЕАКЦИЮ СВОЕГО ОРГАНИЗМА, НЕ ИСПОЛЬЗУЙТЕ ДАННЫЙ ПРИБОР С БУБЛИКОМ INI БОЛЕЕ ДЕСЯТИ МИНУТ. ТЕМ БОЛЕЕ БЕЗ МОДУЛЯЦИИ.
На фото ниже пример воплощения полной схемы, с двумя уровнями мощности. В качестве MP3 плеера используется мобильный телефон NOKIA с дополнительной памятью.
Проверка работоспособности прибора осуществляется с помощью индикаторной катушки со светодиодом, вмонтированной в верхнюю крышку корпуса. Когда генератор в порядке и бублик поднести к верхней крышке, то светодиод загорается:
Если тема интересная и есть конкретные вопросы - пишите, постараюсь ответить.

Комментарии
Посмотрите другие статьи в этом блоге, например
https://yukta.org/atma/index.php/13-zdorove/73-kikboksing-v-vikhrevom-biorezonanse
А также
https://t.me/vbr_chat
Хочется хоть попробывать эту технологию,может она мне не подойдет(4 года назад ишемический инсульт)
Решил потихоньку собрать такой прибор на этой микросхеме,может смогу,катушку мне уже подарили.Но
что-то отзывов по этой схеме я не нашел.С какой целью у R8 аж 2 ватта?Как правильно настроить генератор?
Заранее спасибо
Эту схему я бы не советовал Вам. Сам начинал с неё, но по сравнению с современной схемой эффективность её намного ниже. В этом блоге на эту тему есть статья
https://yukta.org/atma/index.php/13-zdorove/39-generator-ili-avtogenerator-dlya-vikhrevogo-biorezonansa-chto-luchshe
А резистор мощный потому, что токи приличные, микросхеме нужен увесистый радиатор.
Ещё. Опыт показывает, что большие мощности не нужны и, я бы сказал, нежелательны, если используется лечение с модуляцией. Мощности усилителя, схема которого приведена в этом блоге, более чем достаточно. И то я использую максимум треть от этой мощности. Иначе могут быть проблемы, о которых я писал в своих постах.
https://yukta.org/atma/index.php/13-zdorove/73-kikboksing-v-vikhrevom-biorezonanse
http://samo-iscelenie.org.ua/phpBB3/viewtopic.php?f=75&t=411&sid=a3c6924d0e9427aaafd68db4e01f40d4&start=420
Как делаются безиндуктивные резисторы - провод складывается пополам и
потом наматывается на круглую оправку, через концы пускают ток, который
взаимно компенсирует индуктивную составляющую, токи идут в разных направлениях.
Берем 2-х проводную витую пару, например 14 метров. Складываем ее пополам, получается 7 метров и свиваем ее дрелью в плотный шнур. Из этого шнура наматываем
тор по обычной технологии, конец обмотки будет заканчиватся 4-мя выводами.
Допустим провода красный и синий. Обозначим начальную витую пару цифрами
красный -1, синий -2. Другие концы витой пары будут красный -3, синий -4.
Выводы 1 и 4 подключаем к генератору, они будут иметь емкость порядка 1100-1300
пикофарад и почти не иметь индуктивную составляющую (меньше в 20-50 раз).
Для получения резонанса последовательно подключаем индуктивность порядка
230 микрогенри, частота будет порядка 300 кгц. Емкостная составляющая излучения такого тора такая же как и обычного, определяется открытым щупом осциллографа, а индуктивная с закороченным концом щупа в 20-50 раз меньше, чем у обычного тора.
Работает в автогенераторах Дениса а также с внешним генератором.
Появляется возможность изменять рабочие частоты простым переключеним дополнительных
индуктивностей. Данная технология не позволяет приспособиться вирусам, грибкам и
другим патогенам к одной частоте излучения. Испробовал витые эмалированные провода
диаметром 0,37; 0,21; 0,12 мм в скрутке 4,8,12,16 проводов.
Количество проводов должно быть кратно 4-м.
Емкости доходили до 3200 пикофарад, пробовал на 300, 500, 1000 кгц.
Делал спиральную катушку с 8-ми эмалировнными проводами. Также мотал спиральную
катушку из телефонного 4-х проводного провода - лапши (не свитого) ТРП.
Отправьте мне свой Емейл для общения и Скайп
Бублик квадрофиляр INI ?
Плоская дифилярная
за основу взял отсюда:
http://arduino.ru/forum/proekty/generator-dlya-katushki-mishina
вместо TL-72 применил СМД тразисторы, второй желтый светодиод зашунтировал резистором,
примерно 1 ком и подключил последовательно с зеленым светодиодом, он загорается при большем
входном напряжении, что экономит один транзистор. Рекомендую перейти на СМД элементы,
не нужно сверление платы и упрощается монтаж. Нашел 4-х жильную витую пару которую не
надо перекручивать, обратите внимание на разных производителей - крутят в разные стороны?
Вы мало говорите о результатах лечения Ваших клиентов, а это самое главное!!!
Спасибо за информацию! Очень интересно!
По ссылке немного порылся - да, ребята делают очень хорошие вещи. Если работать без модуляции - то просто супер. Единственно, что применение микроконтроллеров заметно усложняет возможность повторения схемы неискушенными радиолюбителями.
Что касается автоподстройки частоты - в случае модуляции по частоте - она не то что не нужна, она просто будет мешать. Постараюсь в ближайшее время выложить видео по интересным режимам использования генератора.
Что касается результатов применения прибора - то да, есть такой пробел.
Обмен информацией между теми, кто использует приборы вихревого биорезонанса назрел. Для этого вчера открыл канал на Telegram https://t.me/vbr_af и присоединил к нему чат. Надеюсь, что это упростит обмен опытом.
В Вашей базе очень мало файлов по кариесу,если возможно добавить , конечно если у Вас найдётся время на это.Спасибо. С уважением Андрей.
Находится в папке с_девиацией_частот/разное
9 вывод - это FSK Input - это дискретный сигнал (0 и 1) выбора 7 или 8 ножки для задания частоты. То есть, можно, например, на 7 ножку подать ток один, а на 8 - другой. Подавая на 9 ножку высокий или низкий потенциал, мы выбираем одну из двух частот, задаваемых токами на 7 или 8 ножке.
По поводу кариеса - если попадётся - обязательно сделаю. Их просто очень мало в таблицах встречается, поэтому и у меня их мало синтезировано. Это не потому что я не хотел - хорошо осознаю, насколько это злободневно..
частоты с частотой тора INI у Вас модуляция происходит с частотой 40 Гц при
сильном искажении формы сигнала, что конкретно видно на осциллографе! При расстройке
частот вверх или вниз возможно, удвоение модулирующей частоты не происходит, но сильно искажается полифонический сигнал. Мне кажется это неправильно.
Вы возможно зря перешли от амплитудной модуляции к частотной, я так понял, Вас
не устраивает слишком мощный сигнал несущей при глубокой модуляции - так нужно
просто уменьшить несущую! Схема Горелочкина на 7056 не позволяет добиться уровня
несущей меньше 50 Мв на 1 Ом (RMS) При питании 4-4,3 Вольта. А почему Вы не
пробовали просто ограничить приближение тора к телу человека прокладкой 5-10 см
из вспененного полиэтилена? Я наматываю ленту на тор шириной 100мм и толщиной 10 мм, несколько слоев, что ограничивает уровень излучения. С уважением, Ваш тезка, г. Иркутск.
Статью также разместил в своём блоге на КОНТе
https://cont.ws/@yukta-org/1518153
Думаю, что вопросы, которые Вы задали, могут послужить поводом для написания отдельной статьи на эту тему. В комментариях немного неудобно писать.
Постараюсь подготовить и опубликовать такую статью в ближайшее время.
Хотя, как вариант, можно переводить посты со своего родного языка на русский и помещать сюда этот перевод. Большинство читателей здесь - русскоязычные и Вас скорее поймут в этом случае.
Правильно ли я Вас понял - при прослушивании файла по раку молочной железы Вы почувствовали определённое воздействие на проблемное место? Также во время прослушивания Вы дополнительно прикладываете тор Мишина, насколько я понял.
Будет ли от этого толк я точно сказать не могу. Конечно, в Вашем случае лучше бы использовать прибор, который описан в предыдущей, второй части этой статьи. Если проблемное место отзывается на лечебные частоты - значит есть немалый шанс победить проблему. Я могу написать на Ваш емейл и мы обсудим вопрос по прибору.
Также хочу обратить Ваше внимание на пропитку проблемного места содой и перекисью водорода. Сода должна быть ГОСТ 1979 года или чешская для приёма внутрь. Современная сода (ГОСТ 2010 года) не годится - это уже не сода. Также и перекись должна быть без бензоата натрия - желательно, тоже нужно искать в Инете. Хотя перекись на крайний случай для внешнего применения сгодится и аптечная, со стабилизатором.
Кожа может облезть, но это не страшно - нарастёт новая - у меня были очень серьезные проблемы с большим пальцем руки - почернел и дело запахло ампутацией. Просто укутывал палец бинтом, пропитанным 3% перекисью и посыпанным содой. Всё это обмотал плёнкой. Через три-четыре дня этого варварства палец порозовел, кожа слезла, но проблема ушла.
Рак не любит соды и перекиси - потому это и пишу Вам. Проблема только в том, как их доставить в проблемное место - примочкой или уколом.
Ну, и чистку организма никто не отменял - промывка кишечника, питание впроголодь для обильного выделения пищеварительного сока - излишки его попадают в кровь и поедают всё инородное (Борис Болотов).
внутренний вид прибора - в моём новом посте. Только не автогенератор, от которого я окончательно отказался. Схема прибора - в предыдущей статье.
Я попробовал ответить Вам на Ваш е-майл, который Вы указали в своем посте, но почтовик ругается на отсутствие такого адреса.
Изготовить прибор могу, вот только как переслать его Вам, если Вы проживаете не в Украине, я не знаю.
По поводу плат, может кому тоже интересен Ваш вопрос ЛУТ не использовал, просто рисовал. Поэтому и не могу сказать годятся ли они для ЛУТ. Сейчас понял, что проще заказать промышленное их изготовление..
Рад, что всё у Вас получилось.
XR2206 - у меня по них никогда не было вопросов, если работает, то работает нормально. Одна только партия с Алиэкспресса была вся полностью нерабочая, выкинул.
Сейчас у меня очередной прибор в процессе изготовления - как сделаю - посмотрю детальнее.
http://forum.biomedis.ru/viewtopic.php?t=3722
Сегодня сгенерировал и закачал на МЕГУ все необходимые недостающие файлы для выполнения данных рекомендаций.
За основу взят раздел этой статьи
"ПРОГРАММА ДЛЯ БИОМЕДИС М –УНИВЕРСАЛ-ПРО"
Пока я ничем не могу Вам помочь.
С другой стороны, схема, приведенная на данном сайте (на базе микросхемы XR2206) - годится для использования матриц Гаряева, если у Вас есть MP3 файлы с их записью.
Согласен с Вами, что тема модуляции не шибко освещена в широком доступе. Я пытался сделать модуляцию на полевом транзисторе уже после выхода 2206 - вылезла куча вопросов по линейности и динамическому диапазону. Поскольку много времени макетированию схем не могу уделять, мне пришлось оставить эту затею.
Андрей, я Вам очень благодарен за Ваш отклик и живое участие - это поможет кому-то облегчить изготовление прибора и избежать ошибок в выборе схемы.
почти как от тора,индикатор светит весьма интенсивно, возможно что энергия могла бы быть направлена на катушку ,а она похоже идёт на нагрев дросселя и потери.И очень мала разница по амплитуде тока на контуре по 50% и 100% при переключении питания 4.5в и 9.0 в.Регулировка завязана с модуляцией и устойчивостью генерации.
И модуляцию я думаю всё же отдельно от 2206 сделать просто по подобию того же г4-102.
Морочу я Вам голову своими домыслами,но похоже тема модуляции не очень развита на тематических сайтах,все хотят выжать из генераторов и катушек ,что б аж всё светилось через две стены, некоторые разработчики похоже забыли ,для чего это всё надо.
Между делом слушаю Мишина.Умница.Спасибо.
Данный прибор я рассматриваю как бюджетный вариант. Тем не менее практика использования таких приборов с квадрофиляром типа INI показала их хорошую эффективность для помощи во многих случаях многим людям. Те из моих знакомых, кто пользуется такими приборами очень довольны. Понятно, что это не панацея, но тем не менее.
Кстати, должен сказать, что АЧХ модуляции и для 2206 не совсем линейная - имеется завал в районе 15-20 кГц. НО там можно все подкорректировать с помощью АЧХ буферного усилителя. Этим вопросом я не занимался, поскольку сосредоточен на генерации лечебных MP3 файлов. Лично меня пока устраивает лечебный эффект и такого варианта модуляции 2206.
Похоже автогенератор не совсем подходит для модуляции?.Может я не прав?
2206 не скоро приедет. По заказу прислали 2209 но это совсем не оно. Спасибо.
Корпус из пластика, индикаторная катушка внутри корпуса.
Думаю, что у Вас всё получится - основные приборы у Вас есть.
Думаю, что для начала проще всего использовать 0,5 намоточную медь (ПЭВ 2) для катушки - провод более-менее хорошо ложится, послушен.
Также советую обратить внимание на бублик-квадрофиляр, который включен как это указано на схеме - положительное воздействие его более ощутимо, чем обычных бубликов и катушек. Но на него лучше подавать сигнал малой мощности, до 3 Vpp. .
Вдогонку.
Буквально на днях узнал о электрическом вихре.
Информации достаточно.Купил микросхему TDA вот
XR в нашем городе нет.Очень сильное желание изготовить систему.И днём и ночью мысли не покидают.
В наличии есть генератор Г4-102 у которого есть внешняя АМ модуляция.Осциллограф С1-65А.Думаю
для начала собрать просто усилитель на TDA и подать на него сигнал с Г4.Приступил к изготовлению плоской
катушки,в наличии есть провод лэшо10х0.05 и пэлшо0.35 ,и 30 м витой пары кроме того пэв2 0.5.
Из всего этого провода на Ваш взгляд ,что больше всего подходит для плоской катушки,кроме бублика конечно.Спасибо. С уважением Андрей.
RSS лента комментариев этой записи