Уже около полугода, как провожу эксперименты с вихревым биорезонансом (сочетанием биорезонанса и вихревой медицины Мишина) над своим телом. Постоянно формирую новые лечебные MP3 файлы и проверяю их воздействие на свой организм. Состояние последнего для его лет в целом было, на мой взгляд, почти удовлетворительное до начала использования биорезонанса. Хотя оставались некоторые неприятные моменты с брюхом, которые не смог убрать ни с помощью обычных катушек/бубликов Мишина, ни с помощью диеты, попыток применить соду, перекись, травы и т.д. Использование висцеральной хиропрактики давало неплохой результат, но требовало постоянных, практически ежедневных, продолжительных сеансов. Также неплохим подспорьем в этом вопросе были некоторые асаны и бег трусцой.
После начала использования вихревого биорезонанса естественным было желание "погонять" всяких паразитов, благо ассортимент соответствующих лечебных программ обширный. Также использовал программы по печени, поджелудочной, почкам, по толстому и тонкому кишечнику, легким и т.д. Состояние организма заметно улучшилось, но стабильного результата не было. Причем определил, что обычные катушки/бублики Мишина для биорезонанса не совсем подходят - не дают того эффекта, что квадрофилярные бублики, включенные так, как это указано на моих схемах в облачном хранилище MEGA (ссылка на это хранилище дана во второй части статей по вихревой медицине этого блога). Для себя я эту схему включения квадрофилярного бублика назвал INI. Такая схема оказалась как минимум на порядок эффективнее обычных катушек и бубликов. Причем долго и тщательно проверял различные катушки как в режиме динамики, так и в режиме статики. Также было изготовлено и проверено немало бифилярных и квадрофилярных бубликов на различные частоты от 170 до 700 кГц. И что немаловажно, схема INI практически не вызывает неприятных ощущений в области сердца при длительном применении, что неоднократно было замечено при применении обычных схем включения как на себе, так и у других людей.
Переломный момент моих исследований наступил где-то месяц назад, когда я решил проверить на себе только-что сгенерированные программы по герпесу. В первом же сеансе, когда "прогонял" по очереди все программы по герпесу (каждая примерно по 15 минут), почувствовал резкие, порой очень даже неприятные ощущения в районе толстого кишечника. Описать эти ощущения сложно, что-то типа тянущих болей. Но вполне терпимые и к концу сеанса вообще ушли и пришло состояния явного облегчения, почти блаженства. На второй день неприятные ощущения повторились, но уже значительно с меньшей силой и довольно быстро ушли. Мой организм "знал", что произошло что-то хорошее для него. Сделал на день перерыв и повторил сеанс - неприятных ощущений уже не было, но приятных было в избытке. После этого я повторил несколько раз сеансы через день - результат был стабильным.
Не скажу, что ушли абсолютно все проблемы с брюхом, но результатом мой организм очень доволен - пищеварение заработало в почти забытом режиме, практически как в молодые годы.
Что могу сказать в итоге.
1. Убедился на своем опыте, что вихревой биорезонанс - может быть очень и очень эффективным для лечения. Надеюсь, во многих случаях, а не только в моем.
2. Успех определяет точный подбор лечебных программ - мне понадобилось почти пол-года, чтобы подобрать то, что нужно. Точного диагноза, естественно, у меня не было. (Тридцать лет уже, как не был на приеме у эскулапов. Кроме стоматолога). Причем не заметил никакого вреда для организма от такого длительного перебора программ - проверял на себе все программы, которые генерировал и выкладывал на MEGA, вплоть до программ по онко.
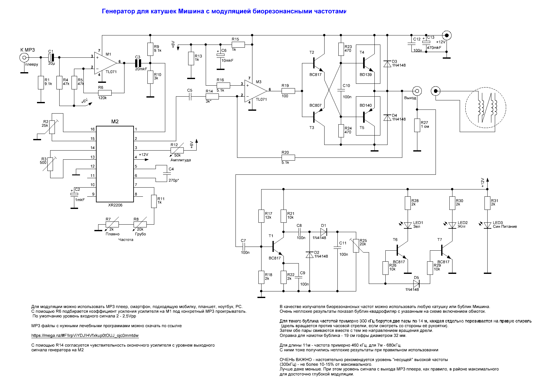
3. Подбор схемы генератора и его режима работы. Как ни странно, но самым эффективным оказался режим малых и очень малых мощностей генератора. При питании 12V генератор использовался на уровне 10-15% его максимальной выходной мощности, т.е. на бублик INI подавал сигнал не более 2 вольт от пика до пика. По этой причине дешевые схемы с автогенератором мало подходят для этой цели - не все они стабильно работают при попытке уменьшить амплитуду выходного сигнала ниже 3,5 - 4 вольт. Для себя я использовал генератор, схема которого есть у меня на MEGE на базе микросхем XR2206 и TL071. Управление таким генератором сложнее и он существенно дороже в изготовлении, но он того стоит.
4. Самыми эффективными в моем случае оказались бублики INI с резонансной частотой около 500 кГц, хотя довольно успешно использовал и 300 килогерцовые.
5. Для воспроизведения модулирующих лечебных MP3 файлов использовал обычную мобилку Nokia с дополнительной памятью. Проверял для этой цели также планшет, MP3 плеер, ПК. Ноутбука нет, поэтому с ним не проверял. Используется выход для колонок/наушников. Уровень выходного сигнала у разных устройств отличается. Как правило, для глубокой модуляции приходится устанавливать громкость воспроизведения максимальной или почти максимальной. Влияние глубины модуляции на эффективность лечения пока не исследовал.
6. От пациента (или того, кто ему помогает) требуется творческий подход к своему лечению. Диагноз может быть и верным, но истинная первопричина проблемы могла пройти мимо внимания того, кто ставил диагноз.
7. Очень рекомендую постоянно обращаться к книге по частотам Райфа (находится в папке _raif в моем облачном хранилище). По очень многим программам там даны дополнительные рекомендации по их использованию. Я не могу формировать программы комплексными группами по конкретным отклонениям здоровья - не хватит никакого места в хранилище. И так спасибо MEGA, что они дали мне 50 Гигабайт бесплатно.
Пока, пожалуй и все. Мир Вашему Духу! Здравия Вашему телу!
Хранилище лечебных файлов здесь.

Комментарии
В закрепах чата https://t.me/vbr_chat можно найти ссылки на эти хранилища.
Да) Это я,Юлия( по прибору ,Николай)))
Очень хорошо, рад за Вас.
Если интересно, вот ссылка на мой телеграм чат
https://t.me/vbr_chat
В нём обсуждается технология VBR.
Как с вами можно связаться?
Есть несколько вопросов и хотел бы в личных сообщениях пообщаться
Заранее Благодарю
Ответил по почте.
P.S. Вы - Украина? Я - Харьков
По этому поводу отвечал уже несколько раз, что пока делать это не собираюсь. Во избежание всяких недоразумений по версиям файлов.
Тем более, что Вы своей идеей делиться не хотите, а пытаетесь за счет манипуляций добиться, чтобы я Вам помог в её реализации.
Если кто искренен - тому и помогать хочется.
==
я дал свой контакт, объяснил, как делаю. что не так-то?
Что означает выражение "полифонические файлы на основе частоты 10КГц"?
лечебными частотами. Есть варианты амплитудной и частотной модуляции. Далее, эти частоты идут на вход Вашего устройства
Ведь смысл в том, чтобы модулировать именно несущую частоту катушки (300 кГц) - она доносит на себе до органов лечебные частоты.
Мне помнится, в каком-то из биорезонансных приборов используется несущая 10 кГц. Но там тип излучателя другой. И частоты туда могут подойти разве что из CAFL2010 - они все как правило ниже 1 кГц.
1.несущая 10Кгц модулируется,например, в случае "Активная защита", частотами 2.2; 10; 12.5; 15; 19.5; 26; 55; 92.5 Гц.
2.Далее ,эта частота идет на вход вашего устройства, где модулируется частотой резонанса катушки
Я не вижу никакого смысла в том, что Вы делаете.
Может пока чего-то пока не понимаю и, возможно, со временем пойму.
Возможно это нужно для чего-то ещё, но Вы просто умалчиваете. Но для вихревого биорезонанса это бессмысленно.
Использую свои скрипты на Питоне.
как скрутить 14м. провода дрелью.
https://www.youtube.com/watch?v=awdvj2Utmo0
Попробую в ближайшее время снять видео на эту тему, не знаю, как получится.
Попробовал сейчас описывать это здесь в комментах - получает очень пухло. Столько текста, что я остановился и понял, что это вопрос лучше осветить в отдельной статье.
Всё зависит от того, какая ситуация с ребёнком. Например, если у него что-то незначительное, рядовое и можно проблему решить обычными народными средствами, то лучше решать ими.
Но если что-то посерьёзнее и планируется применять те же антибиотики - от прибора вреда я не встречал, а с последствиями тяжёлых лекарств Вы и сами наверняка сталкивались.
Особенно эффективен прибор при всяких острых заболеваниях у детей. Порой им достаточно одного сеанса 5 минут на минимальной интенсивности излучателя.
Главное - доза, как и при употреблении лекарств.
Знаю много людей, которые используют этот прибор для лечения своих детей (от грудничков до подростков) - никто не сообщал об отрицательных последствиях применения прибора.
Ребёнку 1г.9м. обнаружены паразиты - лямблии, токсоплазмоз.
Народными методами глистов, например, знаю как изгнать, а это по серьёзней паразиты. Пробовала давать БАДы - ревет, не удаётся никак.
Если пользоваться катушкой, куда её класть в таком случае? Плоскую использовать?
Если использовать простые катушки и бублики Мишина без модуляции - ничего не могу сказать каков будет результат.
Если использовать прибор с модуляцией, о котором речь идёт в моём блоге - вероятность положительного результата выше в десятки раз. Причём мощность излучателя - в разы меньше.
Катушки или бублики с модуляцией я обычно ложу на пупок или на печень, если проблема не локализованная, а общая. Для модулированного излучателя особой разницы нет куда ложить.
Для простых, немодулированных катушек - да, там пациенты пытаются "греть" ими именно больное место..
Хотел бы заказат у вас генератор и ТОР. Это возможно? Написал еще через форму контактов, но не уверен, что оно там отправилось
Неплохая статья на эту тему https://cont.ws/@mitra77/387144
https://mega.nz/#F!IrpViYDJ!HVfxkup0tOUJ_ojc0mmtdw
Кстати,я поставил резистори 1ом в емитерах BC139/140
и оно меньше греются.
Судя по всему этот аппарат - разновидность автогенератора с двумя уровнями выходной мощности. Своё мнение об этом я высказал в статье "Генератор или автогенератор для вихревого биорезонанса - что лучше?" в этом блоге.
По своему опыту могу сказать, учитывая большую продолжительность во времени матриц Гаряева, для многих такой прибор может стать неприятным сюрпризом - даже на 50% мощности.
До и модуляция на автогенераторе весьма специфична и не чувствительна к верхнему диапазону звуковых частот.
Николай,ето как Ваш аппарат?Только какие-то универсальные программи?
Здравствуйте Петров!Вы не могли бы платой поделиться , наверняка Вы другую плату делали ,чем у Николая , раз у Вас один ОУ.Я сам не очень в этом деле , боюсь напортачить.Если есть у Вас файл платы в Лей формате , то можно на мою почту.
vik151515
Заранее спасибо!
вместо два TL071.Работает отлично.Думаю с TL072 тоже
будет работать.
У меня есть мксх.к174гф2 -аналог xr2206, пойдет ли она в Вашей схеме генератора?Есть также ОУ тл072 и тл082, тл071 надо искать.Можно их применить в этой схеме?
1. Брюхо) на фоне сильного стресса внутренне органы , словно свихнулись, под правыми рёбрами все время что-то болело... к эскулапам пойдёшь, точно что-то найдут, а с диагнозом сплавиться сложнее, чем с психосоматикой- счастлива, что нашла ваш сайт. Отвлеклась - прослушала печень - уже второй день как боль и ощущение чего-то, что мешает отсутствует., хотя как я поняла сначала идёт нарастание первые 12 часов, потом - как будто месяц ничего и не было.
2. Прослушала так же на радость и хорошее настроение, причина стресса никуда не делась, но сегодня я откровенно не проронила не одной слезы и правда какое-то время было приподнятое настроение, печаль и грусть пока не возвращалась.
3. Муж слушал от хронической усталости - сегодня как новенький после 6 часов сна - обычно после рабочей недели не хватает и 12.
Буду подбирать программы - ещё раз низкий поклон за ваши труды.
Extremely helpful information specially the last part :
) I care for such information much. I was seeking this certain information for a very long time.
Thank you and best of luck.
1. 20-30 мВ - это измерение осциллографом на измерительном резисторе 1 Ом. Такой сигнал и получается примерно при 10-15% от максимального сигнала, т.е. порядка 1-1,5 В на катушке (примерно). Это я писал для тех, кто не может измерить сигнал, но оценить его можно по положению регулировочной ручки.
2. В книге, переведенной Хороших, приведены частоты, открытые также последователями Райфа. Сейчас всё это называют частотами Райфа, хотя по поводу оригинальных его частот достоверной информации не нашел, за исключением некоторых. Это отдельная тема и я согласен с Вами - главное, чтобы они работали.
3. Бублик пробовал делать и с добротной витой медной пары двадцатилетней давности (тогда еще биметалла практически не встречал), и современных проводов разного качества. При воздействии биорезонанса особой разницы не ощутил. Возможно это важно для "чистых" бубликов (без модуляции). Но здесь задача поля другая (наряду с основной) - донести до тканей низкочастотные модулирующие сигналы.
4. Такую большую плоскую катушку делал всего один раз для брата. Он ею практически не пользуется. Отдает предпочтение бубликам (в основном INI) и маленькой катушке на 300 кГц, намотанной проводом 0,33 мм. Я сам не исследовал больших катушек - просто такая необходимость не возникала.
Если не применять модуляцию, то возможности прибора сужены - вот ребята и пробуют разные варианты катушек и бубликов - вдруг какой-то вариант поможет. А эффективность биорезонанса зависит, в основном, от правильного выбора частот и режима их применения.
5. По поводу Вашего заказа - отправлю Вам письмо на Ваш е-мейл.
ф 20-25см. из витой пары (биметалл) без перевивики. Для общего мягкого воздействия на начальном этапе. Стоит ли возиться.
В описании Вы отмечаете "3. ...При питании 12V генератор использовался на уровне 10-15% его максимальной выходной мощности, т.е. на бублик INI подавал сигнал не более 2 вольт от пика до пика. ...", а в комментариях рекомендуете 20-30мв. т.е. в 100 раз меньше.
В таблице Райфа приведены частоты для СПИД (ВИЧ). Однако, Райф умер в 1971г. Ну то таке. Главное чтобы работали.
В INI бублике Вы использовали провод с биметаллом или медной жилой. Разная добротность.
Можно ли у Вас заказать бублик INI с правильной навивкой, прибор на 2206 или настроенную плату.
Есть карта Привата и Монобанка.
Заранее благодарен.
Очень хорошо, рад за Вас.
Думаю, что лечение нужно довести до конца.
файлы 1_2_3_4 , два дня три раза утром в обед и вечером прикладывал бубл сверху ,файл \\папиллома_1_этап_компл_10_дней_p68.mp3\\ по названию и делал,сегодня успел только утром ,в обед было не до того и около 17 часов хотел включить аппарат,и пальцем не обнаружил грибок на тонкой ножке,который торчал и болтался около года.Правда в обед было некое ощущение неудобства,но не придал значения .
Сам грибок в начале воздействия на него - порозовел и чуть увеличился в размере,что немножко напрягло.
Так теперь что мне делать,похоже три файла не понадобились? Или всё же продолжить?
INI бубл 300кгц на 1 оме 24 мв . Спасибо.
Еще интересная информация только что пришла - человек лечил гайморит сначала бубликом INI, затем бублик ему не понравился и он включил обычную катушку Мишина, только малого диаметра (намотанную тонким проводом) на минимальной мощности. И говорит, что от воспаление практически избавился. Но немного переусердствовал в количестве лечебных программ, время сеанса слишком получилось большое и организм это почувствовал.
и вопрос : в это же время допустимо ли использовать другие файлы ,к примеру по зрению или очистке ,в промежутках основных сеансов. Спасибо.
Петров - ссылку дать не получается,схема есть,а где
взял инфы нет,там просто конденсатор закорачивается
тумблером - это режим стоячее поле и разомкнут - вращающееся поле, 10 нанофарад.Последовательно
с катушкой. Вот.
По папиломам - посмотрю в ближайшее время. По вирусу папиломы что-то должно уже быть.
Сокращение времени воздействия за счет увеличения мощности, на мой взгляд, не совсем тот путь. Райф при лечении рака использовал экспозиции 3 минуты. Сейчас все биорезонансные приборы работают в расчете 5 мин на одну частоту (в основном). Поэтому при моно звучании на всех приборах время воздействия измеряется часами. Не вижу смысла уменьшать время экспозиции менее 5 минут для полифонич. комплексов - каждая частота, входящая в комплекс должна отработать положенное время.
Мишин неоднократно утверждал, что большой сигнал неприемлем. У меня в начале работы (до включения модуляции) на 1 Оме - осциллограф показывает 20 мВ от пика до пика. И увеличивать сигнал больше этого значения не нужно - убедился неоднократно.
С бюджетным вариантом было несколько осечек у людей с аутоиммунными заболеваниями - похоже бублик INI чрезмерно стимулирует иммунитет, особенно при больших сигналах. У людей разные организмы и разные проблемы с ними. Поэтому - аккуратность в применении - прежде всего.
Вы приобрели некий опыт и иммунитет при работе с излучателями,и я думаю,использовать бюджетный вариант,хотя-бы первые две недели,затем переходить на 2Вольта пик пик.Может не совсем я прав? Спасибо.
И, кстати, еще вопрос - какое поле будет вращаться? И можно ли где-то глянуть на схему, а то умозрительно как-то совсем сложно понять, о чем речь...
Последние примерно года полтора использую только модулированный сигнал. Неоднократно в течении этого времени для сравнения пытался использовать чистый синус и всегда результаты этого сравнения у меня были не в пользу последнего.
Хорошо бы выяснить причину боли в плече и воздействовать на нее. Одно дело - травма или другая физика, другое - артритные и другие причины. Боль снять не проблема, есть много программ.
Также, в последнее время все больше убеждаюсь, что при аутоиммунных заболеваниях лучше ограничить применения бублика типа INI. Он существенно активизирует иммунитет даже без модуляции.
Кстати, практически все лечебные файлы были перегенерированы и "перезалиты" в хранилище пару дней назад. Рекомендую и Вам обновить те, которые используете. Много новых файлов по Биомедису.
плечо.Каким сигналом воздействувать?
а вот к примеру нет ли колебаний витаминов, С или Б12
возможно ли такое?
Спасибо.
Тем более, что у меня в ближайших планах перегенерировать все файлы в bm с учетом последних исследований для типа poly. Плюс генерация комплексов одним файлом для bm.
CAFL и Хороших_ком уже поли-файли перезалиты.
Остались CAFL2010 и bm.
Это набор файлов сделай сам,или как - то так.
Спасибо.
Посмотрел немного форум по Вашей ссылке. Пока не заинтересовало, не хочу распыляться.
https://mindmachine.ru/forum вот сайт ,где тоже полно информации о биорезонансе. Столько всего,что иногда хочется остановиться и придержать коней
Спасибо.
Вы имеете в виду файлы типа CAFL\mono
Я как-то этот тип файлов забросил и эта папка у меня не синхронизирована. На синхронизацию мне понадобится два-три дня с учетом лимита трафика и скорости моего интернета.
102_,367_,423_,425_ возможно их надо перезалить.
Спасибо.
2206 запускал в режиме меандра, треугольника и синуса в самом начале исследований (более 2 лет назад). Затем оставил только синус, убедившись, что с меандром для здоровья шутки плохи, лучше не связываться. Разве что в особых случаях, типа реанимации, интенсивной терапии, онко или еще чего-то подобного. Синус прощает большинство ошибок его использования.
На мой взгляд, не стоит навязывать лечение человеку против его воли, тем более скрытно от него. Это нарушает самое святое - право выбора и похоже на насилие. Хоть и с благими намерениями. У меня было то же почти со всеми родственниками, кроме брата - то сразу поверил и согласился применять эти приборы. А остальных через год/полтора сама жизнь убедила, сейчас все они при необходимости лечатся вихревым биорезонансом.
По поводу файлов. Последние полторы недели занимался доработкой скриптов. Всплыли некоторые нюансы формирования файлов с очень большим количеством частот (больше 100). Поэтому все хорошевские комплексы были перегенерированы. Большинство из них находится в папке "комплексы_одним_файлом". В некоторых папках есть только "состав", а соответствующий комплексный файл я просто туда не копировал - получается дубляж. Возможно это и неудобно, посмотрим. Пока так.
это позволяет..И вопрос по статике.У меня есть потенциальный клиент ,который не верит во всё это,и хочу включать статику через поперечный бубль по одному проводу,но так ,что - бы это было неявно.INI использовать не получается ,не допускает.Пробовал модуляцию по одному проводу-сигнал очень хорош.Вот что делать,уговорить не получается.
И в последнем обновлении в некоторых папках (хороших.сом) нет файлов,возможно у Вас не
хватает на всё времени.
Спасибо.
По поводу мощных транзисторов на выходе - уже думал о том, что прибор излишне мощный. Но не все с этим согласны и многие связывают его целебные свойства с мощным сигналом. Сам начинал с 24 вольтовых усилителей (типа Усь Васильева). Понадобилось больше года, чтобы на практике убедиться, что лечит не мощность, а информация. Усилитель по моей схеме позволяет каждому самому убедиться в этом, пробуя разные режимы.
Ну и запас по надежности не помешает Если у человека появляется такой прибор, то опыт показывает, что он пробует подключить к нему все бублики и катушки, которые до этого уже были у него, чтобы и с ними попробовать воздействие модулированного сигнала.
какая продолжительность сеансов у Вас? Обычно на давлении начинает сказываться при недопустимо длительных сеансах.
Стрелочный индикатор - удобная вещь, но он обладает инерционностью (если нужно наблюдать за модуляцией) и требует подсветки, если используешь прибор в темноте. А ,вообще, мне нравиться наблюдать, как мигают светодиоды во время модуляции - как на ёлке, сплошной Новый год :)))
Я сделал генератор по вашей схеме, но вместо индикатора на светодиодах поставил простейший миливольтметр на оу ТЛ071 и стрелочный милиамперметр.Резонанс подстраивается очень точно и можно измерять мощность.
1. Оцениваю воздействие чисто субъективно, по ощущениям в теле. Никаких анализов не делаю, от услуг медиков практически отказался (кроме стоматолога).
2. Мощность излучателя ставлю минимальной. На R27 (1 Ом) осциллограф показывает при этом сигнал 20-30 mV от пика до пика. При этом зеленый светодиод еле светится. Но при подаче модуляции размах сигнала увеличивается в зависимости от громкости MP3 плеера.
3. Использую только бублик типа INI . От других бубликов и катушек отказался. Прикладываю, в основном, на пупок, также на правую сторону грудной клетки. Редко и ненадолго - к голове.
1.Как вы оцениваете эффективност воздействия излучателя?(бублика или катушки)
2.Как определяете нужную мощность излучения.
2.Где ставите бублика при лечении герпеса?
По поводу разбивки Гаряевым программ на мелкие файлы - у самого такой вопрос. Хотя, если бы, например, вторая программа была цельным файлом - было бы не всегда удобно пользоваться таким монстром. А так - спасает плейлист.
С неонками не игрался - не было необходимости, всё не охватишь. Время не резиновое, есть приоритеты.
по одному каналу, и надо иметь крепкие нервы,что бы довести сеанс до конца.На сайте Гаряева нет инфы по поводу каналов.Для модуляции это дело подходит.Вот только что с водой делать?
Почему файлы разбиты на маленькие фрагменты? какая-то логика в этом есть возможно.
Вопрос по схемам.По сайтам гуляет инфа о индикаторах поля из неоновой лампочки.В моём случае ни одна катушка неонку не зажигает,даже при максимуме на выходе. Настроил бюджетный автоген
на потребление 0.89А диоды горят на16 см от излучателя ,неонка ну никак.Что не так?
СПАСИБО.
И ребятам спасибо за то, что выложили файлы, причем всё легально.
группе ,которая проделала эту работу,
и имеют номера с 1 по 9 ,но без 8,т.е всего восемь папок,где находятся ,как мне кажется,оригиналы
Спасибо.
Андрей, мне не понятно, что значит
"Файлы на VK похожи на оригинальные,только куда делся №8?". Если можно, уточните свой вопрос.
- достаточно трудоемкий монтаж - много деталей
- сложнее в настройке (ток покоя и средняя точка)
- не всегда нормально держит резонансную емкостную нагрузку - есть зазубринки на выходной синусоиде, особенно с катушками с хорошей добротностью.
Что касается предложенной мною схемы, то
- ни разу не видел зазубринок на выходном сигнале хоть на катушках, хоть на бубликах
- ток потребления очень небольшой, требуются небольшие радиаторы (я так понял, что Вы работали с ним вообще без радиаторов - лучше все-таки их поставить)
- средняя сложность монтажа
- настройки практически не требует, лишь бы не было ошибок монтажа.
TDA - минимальные трудозатраты при монтаже, но
- много кушает
- греется сама микросхема, нужен неслабый радиатор
- на резонансной нагрузке - зазубринки на выходной синусоиде
- сложно сделать встроенный индикатор резонанса из-за особенностей выходной схемы
По поводу изготовления бубликов - Саша Мишин говорил, что для большей их эффективности нужно делать внутреннее отверстие бублика как можно меньшего диаметра.
Цитирую Николай:
Поясните, пожалуйста, что конкретно Вы имеете в виду под понятиями статика и динамика? Только плоскую катушку или бублик соответственно, либо же еще что-то?
Под динамикой и статикой я имел в виду два разных режима использования плоской катушки. Они хорошо описаны в лекциях Саши Мишина, автора вихревой медицины. Можете глянуть на канале "Вадим СЭ Алтай" Ютуба.
Динамика - катушка питается двумя проводами от генератора.
Статика - катушка питается одним проводом относительно высоким напряжением порядка 200 вольт от трансформатора, подключённого к выходу усилителя.
Свойства полей от этих двух режимов существенно отличаются. Вы лучше посмотрите видео, текстом сложно и долго пояснять.
о 160В.При 300В сильно греются выходные транзисторы,поставил на радиаторы. Идёт плавный спад 0т 350КГц до 500КГц дело
похоже в конструкции тр-ра .Делаю плоскую из МГТФ,через тр-р для того что-бы знать,что такое чистая статика.А всё таки чем эта схема усилителя лучше других? Планирую сделать INI
тоже из МГТФ с левой завивкой по 2 провода и свить влево.Заметил одну хрень,индикаторные катушки со светодиодами имеют свой резонанс, и могут давать неправильный максимум,или я не так понимаю?
Файлы на VK похожи на оригинальные,только куда делся №8?
Спасибо.
Цена не него вполне демократична. Перепробовал несколько типов сердечников на разных ферритах - этот показался мне самым подходящим для данной цели.
Причем заметил такой момент - все усилители, которые делал перед тем усилителем, схему которого выложил, работают со статикой без вопросов. В последнем же усилителя есть вопросы - для нормальной статики ему нужно либо заземление, либо его землю соединить с каким-либо предметом, обладающим достаточной емкостью. Этот вопрос не исследовал подробно, поскольку для модуляции предпочитаю не статику, а бублик INI.
Спасибо за ссылку, ознакомлюсь чуть позже.
Вначале я тоже делал индикатор на нескольких светодиодах, но когда понял, что нужно работать на малых интенсивностях несущей частоты, то решил, что вполне комфортно обходиться двумя светодиодами.
Статику я делаю на с помощью трансформатора на кольце T80-52 - вначале мотаю вторичку 0,15 проводом до заполнения кольца, затем сверху первичка порядка 30 витков (или чуть меньше) например проводом из витой пары.
Похоже Ваши единомышленники.
простейший индикатор уровня несущей,на 5 светодиодов.
По Гаряеву ,его файлы только в формате FLAC или FAAC
как минимум могут претендовать на оригинальность.
Вопрос по статике ,Мишин говорит о переходном
трансформаторе на генераторе и на автогенераторе ,питание катушки по одному проводу,какой тр.можно применить в генераторе ,надо постоянную составляющую убрать. Спасибо. Я Вас не сильно напрягаю?
Да, для мобилок это актуальный вопрос - работа с файлами, не во всех это удобно делать.
По матрице Отче Наш у меня самого возникли вопросы, но я её не скачивал, какие-то сомнения. Да и по остальным файлам тоже - не уверен, что они оригинальны. Послушать хотя бы один, который наверняка от Гаряева и тогда можно было бы делать выводы
замена решила задачу. Откопал Нокиа Х2-00 запись
теста линейна до 22кГц ,сам удивляюсь,выход на мах почти,тогда искажений нет,хороший аккумулятор.Неудобна манипуляция с файлами,меню
длинное.По поводу файла Отче Наш Гарюнова,для чего
он его создавал?У Вас было время его исследовать?
Спасибо.
По поводу того, какие группы программ как использовать - советовал бы найти рекомендации по Вашей проблеме, например, на форуме Биомедиса. К примеру, по герпесу:
http://forum.biomedis.ru/viewtopic.php?t=3722
У меня амплитуда излучателя без модуляции такая, что светодиод еле светится. При подаче модуляции он, как правило, загорается достаточно ярко, но это очень зависит от того, какие частоты в данной конкретной программе. Обычно я использую мобилку для модуляции и выходной сигнал на ней чуть ли не на максимуме.
На другой день положение регулятора меняется градусов на 30 40 для настройки в резонанс.Возможно
С4 надо выбрать.Установлен КМ 4.
Выставил амплитуду 2В от пика до пика на излучателе,ощутил влияние сигнала,жду.
Верно,что например сегодня буду включать
сигналы относящиеся только к определённой группе,
и другие категорически не приветствуются,или
можно делать микс.
Когда включается модуляция ,амплитуда в пиках может
достигать 6В.Если выставлять модулированный сигнал
около 2В,то без модуляции он окло1.2 1.5 В,да и индикатор светит почти вплотную . Верно 2В без
модуляции,потому как сигналы все разные и выставить 2В проблематично.И не всякий светодиод
подходит для правильной индикации,выбрал с максимальным динамическим диапазоном.
По возможности слушаю университетские лекции Александра Мишина,он иногда весьма интересные
факты приводит и ссылки даёт. Спасибо.
Падение интереса, на мой взгляд, объяснимо. Обычно появляется что-то новое и люди набрасываются на него с большим интересов в надежде получить что-то универсальное, что могло бы решить все ихние проблемы. Но такой панацеи снаружи нет, она только внутри человека, в его работе над собой. А это многим, к сожалению, не интересно.
Вот одна из ссылок,скачивать не дают только слушать,но при желании
всё можно сделать.Это самые большие по времени файлы,на других сайтах тоже есть подобные ,но качество страдает.В моей базе пока 5 файлов и они рассчитаны на любого человека.Гаряев делает индивидуальные файлы,рассчитанные на конкретного человека и на его близких родственников,другому
человеку пользы не будет,а то и вред.Лазер и считывающее устройство у него ,по его словам $7 Тыс.
Обратил внимание на падение интереса к катушкам Мишина.Многие сайты были активны в 16 17 году,а сейчас посещаемость нулевая,возможно вырастает новое поколение ,которому всё пофиг.Может я не прав,но живых сайтов очень мало,тем более по модуляции.Горелочкин Денис разве что.
По поводу стерео сигнала - на первых порах, думаю, достаточно смешивать оба канала на один бублик, а дальше - видно будет.
Я видел в инете много выдаваемого за матрицы Гаряева, но пока не нашел оригинальных. Если Вы нашли - поделитесь, пожалуйста, ссылкой. Хотелось бы ознакомиться и сравнить их звучание.
Сам я не заморачиваюсь с измерительными делами - настроил светодиодный индикатор и по яркости свечения его светодиодов примерно подбираю режим для модуляции. Обнаружил, что эффект воздействия модуляции на малых интенсивностях частоты Мишина (300 кГц) ничуть не хуже, а часто и лучше, чем на больших интенсивностях. Меньше побочных последствий в виде учащения сердцебиения, повышения давления и проч. А так - у кого какой прибор - так он и меряет. Современные осциллографы выдают информацию в нужном виде. Не думаю, что погрешность в измерении напряжения, вносимая 1 омом, играет заметную роль, когда модуляция "болтает" сигнал в разы.
Вас понял так: одно-проводная спиралевидная катушка + конденсатор для резонанса. Правильно? если да, то что могу сказать - нужно пробовать, физика такой катушки совсем другая, чем у Саши Мишина.
Я такой вариант не проверял, поэтому и не могу ответить конкретно.
излучателя относительно корпуса,или только на самих
выводах.Резистор 1 ОМ таки участвует в работе .
Долго не решался вставить в панельку новую 06.
Всё работает и настраивается .Ток около 60 ма по источнику 12В ,это усилитель и генератор. Бюджетный автогенератор на 56А берёт около 1.7 А.
И по поводу измерения амплитуды,непонятно почему почти на всех сайтах измерение в RMS ,среднеквадратичное значение,зачем? Все измеряют осциллографом ,а считают как по стрелочному прибору.Может я что-то не так понимаю?
Посмотрел о Гаряеве. Очень дорого берёт.Полно его общих матриц в прямом доступе.Файлы имеют разную длину и время звучания.,к тому же все стерео
,и сигнал действительно стерео.Надо подумать,как применить его в нашей системе,два INI на один подать правый канал на другой левый
Выложил на MEGA (где MP3 файлы) в папку "Схемы" два варианта печатной платы в формате Sprint-Layout60.
Варианты под корпуса z50 и Z66 фирмы Krades
https://plasticbox.com.ua/ru/92-korpusa-s-bokovymi-panelyami-seriya-z
Как правило, отзыв ощущается конкретно во время первых сеансов конкретных лечебных программ. На второй-третий раз отзыв уже не такой явно ощутимый.
Состояние здоровья для моего возраста оцениваю
как посредственное.То там кольнёт ,то здесь засвербит,вообщем стандартный набор разных хворей ,которые каждый человек зарабатывает себе со временем.Диагнозов не поставлено,сам себе доктор.
Было время голодал по 2 дня пятницу и субботу,довольно продолжительное время.Достижение - 5 дней сухого голодания.Пару раз
таким способом избавился от надоедливых болячек.
Месяца четыре не голодаю,но желание есть.
Вопрос :INI прикладывать в одно какое-то место или в зависимости от названия файла,и вплотную на тело
или через одежду? Спасибо.
Также рекомендую сеансы через день или два - чтобы организм мог справиться с нагрузкой вывода погибших патогенов. Особенно, когда почувствуется, что что-то конкретно "зацепил".
По поводу 2206 - у меня сейчас есть в наличии рабочие микросхемы. Я мог бы Вам выслать одну или две по себестоимости (примерно 75 грн, точно не помню) порядка 160 рублей/шт. Проблема только в пересылке из Украины в Россию - не знаю смогу ли в нынешней ситуации и во сколько это обойдется.
Здравия Вашему телу и силу Вашему Духу!
Сигнал 3 вольта, на мой взгляд, многовато. В одном из видео Саша Мишин говорил, что он "нащупал" особый режим катушки с напряжением меньше вольта. Точно не помню - где-то порядка 0,8-0,9 V. В этом режиме лечебный эффект, по его словам, проявлялся очень сильно, несмотря на малый сигнал. Для бублика, мне кажется, тоже существует подобная точка. Саша говорил, что настроиться на этот режим сложно. Но если установить сигнал порядка 1V, то за счет модуляции сигнал будет многократно пересекать эту "волшебную" точку.
Режим работы системы = напряжение на излучателе без модуляции 3 В,
модуляция около 95%
комплексный выходной сигнал не имеет видимых искажений.
Светодиоды реагируют на модуляцию,особенно нч составляющую.Думаю установить стрелочный индикатор с логарифмической шкалой.Спасибо.
У меня нет жесткой методики. Мне кажется, что Вы правильно решили, что начать нужно с почек и печени.
Я бы добавил сюда и программы по паразитам. Еще советую хотя бы элементарную чистку кишечника, постараться уменьшить до минимума количество каловых камней.
Мой совет - не форсировать процесс, тут нахрапом не возьмешь. Убедился, что важна не мощность сигнала, а информация, которую он несет. В Вашем случае начинать нужно с малых времен, не более 10-15 минут в сутки. И если всё нормально, постепенно дойти до 25-30 минут. Когда начнете, организм Вам будет подсказывать, если Вы будете к нему прислушиваться.
174ГФ2 не использовал, ничего не могу сказать.
Мощность сигнала на катушке всегда заметно больше, чем на бублике. При равном напряжении всегда ток больший. В теорию сильно влазить не хочу, пытаюсь экономить время на другие задачи. Схема бублика INI пришла интуитивно, поскольку при длительном использовании модулированных обычных катушек (в том числе и в режиме статики) и бубликов наблюдал накопления своеобразной "усталости сердца" - весьма неприятных ощущений. С INI бубликом нужно очень постараться, чтобы сердце начало предупреждать об nfrb[ неприятных вещах.
почек и печени.Что бы Вы посоветовали.Конечно излучатель INI. Спасибо.
частотную характеристику вплоть до 2 МГц далее плавный спад до 8 МГц.При подключении плоской катушки амплитуда на ней в три раза больше чем на INI и на просто бублике.На автогенераторе сие не так заметно.
На входе напряжение устанавливалось неизменным. .Что бы это значило .Возможно имеет
влияние добротность или качество изготовления излучателя .Модуляция через Г4-102 вполне симпатичная и регулируется по желанию.
предлагают из неликвидов до10 руб за штуку от 100 штук
минимум? Похоже военной приёмки,с ромбиком.
желает успешного завершения - пропала развёртка на 65А ,для начала туннельные диоды целые,но как это отвлекает!
Один раз заказал партию аж 20 шт (пополам со знакомым) - уж очень дешево предложили.. Все 20 штук оказались бракованными, ни одна не заработала, грелись, подсаживали питания или просто были мертвые без генерации. Я долго не мог поверить, думал, что со мной что-то не так. Но увы... Выбросил все.
Схема включения 2206, которую я предложил - РАБОЧАЯ. Воспроизводилась неоднократно как удар молотка.
Видимо, кто-то еще нарвался на эту бракованную партию, а теперь пытается отбить деньги, продавая микросхемы маленькими порциями.
горячая после 3 минут работы вторая нормально тёпленкькая,но они не выдают вч ,т.е. искомая частота
300 кГц напрочь отсутствует ,тестовая синусоида проходит с 1 ноги,регулируется R12 по амплитуде и всё ок кроме вч .R2 регулирует похоже симметрию
и макс усиления R3 убирает ограничения синуса.
R6 только при 6-8 ком позволяет получить малые искажения,при этом К усиления меньше единицы,
так зачем он нужен? Было сделано включение по даташиту 2206,результат тот-же.Похоже обман.
Челом бью ссылки на исходники схемы усилителей.
Спасибо.
некоторые новости по генератору на 2206.
Изготовлен вариант нумбер ту.Печатка на смд получилась без особых ошибок.При включении и попытке настройки оказалось,что сигнал со входа мр3 проходит действительно только при 2 и более вольт ,усилитель на TL071 работает как ограничитель положительной части сигнала.Через он 2206 проходит без особых искажений и на выходе усилителя мощности всё происходит как и положено.
И крутить жгут только против часовой стрелки - влево
[11:58:21] Михаил : А наматывать тор только направо
[11:58:56] Михаил : Это соответствует основному вортекса (вихрю) организма
[11:59:01] Михаил : Он правый
[11:59:10] Михаил : А на уровне клеток левый
[11:59:42] Михаил : На уровне молекул и воды в зависимости от коэффициента диссммметрии
[12:02:11] Владимир Дмитриевич Николаев: Значит, если воздействовать высасывающей стороной катушки, а это будет левый вихрь, то После воздействия левого вортекса с определённой модуляцией происходит "встряска" всего содержимого и этот участок ГПК (опухоли) переходит в гексагональные сингонии
[12:03:55] Михаил : Да так
[12:04:11] Михаил : А определить направление самого вихря надо Берете тонкостенный стакан на дно насыпаете тонкодисперсный порошок из пластика который электризуется и ставите на катушку.
INI соответствует требованиям.
с квадрофилярами получаю более-менее предсказуемый вариант, если перевиваю их следующим образом:
- перевиваю две пары проводов отдельно. При этом если смотреть на шуруповерт со стороны ручки, то он вращается против часовой стрелки. Шаг витков - примерно 1 см.
- свиваю обе перевитые пары вместе с тем же направлением вращения - здесь важно не переусердствовать, но и рыхлым жгут проводов быть не должен,
На плоской катушке почти П- образная форма тока при том ,что форма сигнала на любом подключённом контуре- катушке,торе,квадрофиляре - чистая синусоида.Это хорошо видно на осциллографе.Может
поэтому INI имеет более высокую эффективность.Обычный тор не пробовал.Спасибо за информацию.
Когда сделаете генератор на 2206 - эта проблема уйдет, если будете работать на достаточно малых уровнях излучателя.
Кстати, а Вы витую пару перевивали или использовали как есть? У меня есть опыт, когда я не смог пользоваться бубликом INI с не перевитыми проводами.
И еще, попробуйте сделать обычный бублик, не INI. Хоть бифиляр, хоть квадрофиляр и аккуратненько сравните его воздействие. Проблему в Вашем организме INI бублик зацепил (скорее всего почки). Теперь нужно также аккуратно подобрать щадящий режим воздействия - лучше дождаться 2206.
Здравия Вашему телу!
Первый опыт использования INI .Автогенератор работал
целый вечер безо всякого прока,для выяснения его нагрева и стабильности
работы,затем INI лежал в области живота около 30-60 мин (сам был занят ,особо не обращал внимания)Режим 50% мощности.Частота 302кГц . Без модуляции.
Утром еле открыл глаза ,появились огромные мешки под глазами .Отёк начал
уменьшаться только к 20 часам вечера.Немного даже ай яй яй было.Но вытерпел и никуда не ходил.Отёки бывали и раньше ,но не таких размеров и проходили в течении получаса без следа. Вот. Болевых не было.
Проблемных мест у меня достаточно - буду продолжать.Скачал весь архив с MEGA,за два дня.
Спасибо.
RSS лента комментариев этой записи