Друзья, предлагаю вашему вниманию свои последние наработки схемотехники генераторов типа VBR_AF.

Кому интересно, что такое вихревой биорезонанс, можно почитать предыдущую статью по схемотехнике генераторов этого типа.

Надеюсь, что генераторы, изготовленные по новым схемам, будут ещё более эффективны и удобны в использовании.

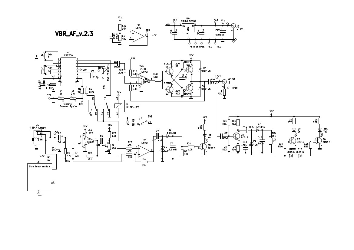
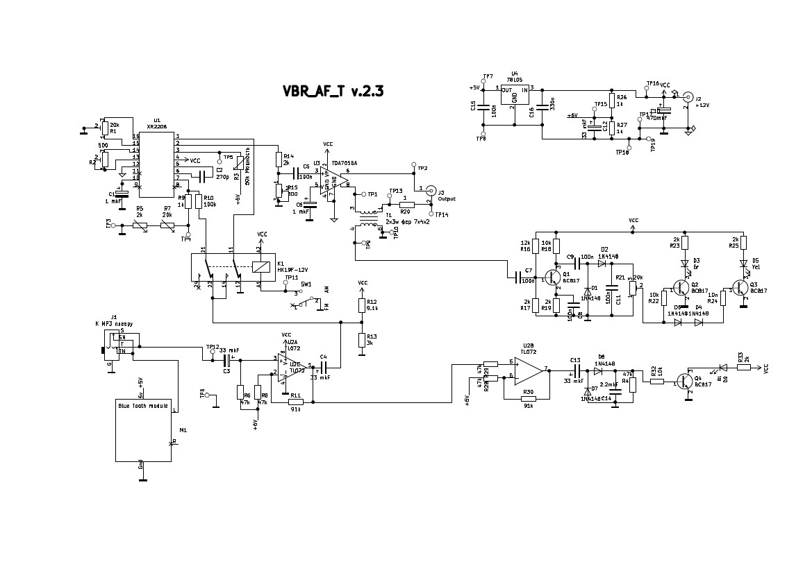
На данный момент образовались два типа схем генераторов VBR_AF.

Первый тип является развитием предыдущей версии, у которой выходной усилитель выполнен на операционном усилителе и транзисторах.

Второй тип отличается тем, что его выходной усилитель сделан на микросхеме TDA7056.

Этот второй тип генератора был разработан в связи с запросом пользователей, для которых важно  увеличение выходной мощности и возможность работы с разнообразными нестандартными нагрузками. Например, с посохом Монарха.

Длительное сравнительное тестирование этих двух типов генераторов не выявило различий между ними в плане лечебного воздействия. Оба прекрасно работают и для меня лично нет разницы, какой тип использовать. Поэтому могу смело рекомендовать к изготовлению обе схемы.

По характеристикам первый тип имеет визуально более чистую синусоиду, размах амплитуды до 9 вольт и ток порядка 300 мА. Второй тип - синусоида не такая идеальная, но размах амплитуды, практически, превышает 11 вольт и ток более 500 мА. Значения для тока указаны примерные, посколько он зависит от добротности нагрузки.

Мои рекомендации по режимам использования генератора предыдущей версии остаются в силе и для приведенных в этой статье версий генераторов. То есть, не рекомендуется во время лечебных сеансов использовать большие токи. Свои приборы настраиваю так, чтобы динамический диапазон светодиодного индикатора выходного тока лежал в пределах до 50-70 мА. Выше этого диапазона светодиоды уходят в насыщение и уже не реагируют на дальнейшее увеличение тока.

По моему опыту, оптимальным является выходной ток, который соответствует примерному положению ручки регулировки мощности от 1/6 до 1/4 от максимального положения этой ручки (до упора по часовой стрелке). Хотя прибор прекрасно работает и на меньших токах.

По сравнению с предыдущей версией VBR_AF_v.2.1 в новых версиях добавлен индикатор наличия сигнала модуляции, порог срабатывания которого примерно совпадает с минимальным уровнем сигнала модуляции.

Также добавлен блютуз аудио-модуль для безпроводной передачи модулирующего сигнала с лечебных MP3 файлов. При этом сохранена возможность использовать, при желании, также и аудио-кабель. Подключение штекера кабеля в гнездо генератора отключает выход блютуз модуля от входа модулятора.

Долго сомневался, прежде чем решился на добавление в прибор блютуза. Возникали сомнения -  а как с качеством сигнала, а как же дополнительное излучение 2,4 ГГц и т.д. Но всё же модули заказал на Алиэкспресс, испытал их на акустике - звучат очень чисто. И в приборе ведут себя очень хорошо. А по поводу 2,4 ГГц - пришла такая мысль, что и они во время сеанса, так или иначе, будут модулироваться лечебными частотами и будут оказывать дополнительное лечебное воздействие. Как бы там ни было, но опыт подтвердил удобство и эффективность использования блютуз в приборах.

Для уменьшения наводок, упрощения монтажа и уменьшения монтажных проводов в схемах использовано реле вместо тумблера для переключения режимов амплитудной и частотной модуляций. Управление режимами осуществляется, фактически, одним проводом. Причем, режим частотной модуляции выбран по-умолчанию,  обмотка реле в этом режиме отключена.

Рисунки для печатных плат.

VBR_AF_v.2.3

Верхний слой:

Нижний слой (зеркально):

 

VBR_AF_T_v.2.3

 

 

 

 Нижний слой (зеркально):

 

 В облачном хранилище vbr yukta org в папке "Схемы/VBR-AF" можно найти и скачать гербер файлы для производства печатных плат для этих версий генератора.

Ссылки на хранилища можно найти в этом блоге или в Telegram канале Вихревой биорезонанс https://t.me/vbr_af

Здравия Вашему телу и силу Вашему Духу!

 

Добавить комментарий


Защитный код
Обновить

Комментарии   

0 # Александр 30.01.2023 13:55
Можете сказать какие типоразмеры R, C, D, подстроечников и исполнение микросхем (корпуса) для схемы VBR_AF_2_3. Я послал китайцам файл, оплатил. Пришло через 21 день! Я до этого внимательно разглядывал плату схемы 2.1. Она мне понравилась. А вот заказанную я посмотрел невнимательно! Теперь все детали кроме 2206 - мимо!
Ответить | Ответить с цитатой | Цитировать
0 # Александр 08.07.2022 16:35
Здравствуйте, сделал я индикацию на этом приборе, проблема постоянного горения жёлтого светодиода была в постоянно открытой базы транзистора, пришлось базу транзистора Q8 bc817 посадить на землю через резистор 100 кОм, и проблема ушла, индикация стала работать нормально. По всей видимости проблема была в наводках на базу транзистора из-за чего он постоянно был открыт. А индикация синего светодиода работает только при определенной мощности аудиосигнала, например с моего телефона Honor недостаточно мощности при максимальной громкости чтобы запустить индикацию синего светодиода, а с компьютера при подаче аудиосигнала большей мощности индикация модуляции работает. Ещё добавил счетчик частоты в схему, чтобы наглядно можно было регулировать частоту на генераторе. На сколько я помню рабочая частота резонанса катушек Мишина от 270 кгц до 330 кгц, там как раз при 300 кгц загорается зеленый светодиод, а при 312-319 кгц желтый, на сколько я понял, зеленый и желтый светодиоды это уровни грубой и тонкой настройки частоты.
Ответить | Ответить с цитатой | Цитировать
0 # Александр 07.05.2022 12:09
Здравствуйте, Николай! У меня возник вопрос. Зачем в схеме нужны диоды d8, d10? Пока искал причину постоянного горения желтого светодиода, соединил резисторы r36 и r38 напрямую минуя d8, d10 и желтый светодиод перестал постоянно гореть. На сколько я понимаю эти диоды не дают току базы транзистора q8 стекать на землю, через резистор r38 и r35, отсюда на базе транзистора появляются наводки которых достаточно для открытия транзистора q8. Тока текущего через этот транзистор достаточно чтобы желтый светодиод загорелся.
Ответить | Ответить с цитатой | Цитировать
0 # Александр 03.05.2022 16:03
Если верить опираться на данные из датащита кампании Nexperia то транзисторы bc327 и bc807 являются аналогами, но в разных корпусах, и с измененным порядком расположения выводов. То же самое касается и bc337 и bc817 если посмотреть датащит на эти транзисторы кампании Philips. Выходит дело не в маркировке транзисторов, возможно в их статическом коэффициенте усиления по току hfe, например для bc807, диапазоны в датащите выставляются так, bc 807-16 = 100-250, bc 807-25 = 160-400, bc 807-40 = 250-600. Не ясно на сколько этот коэффициент важен для работы схемы, все выводы bc327 и bc337 я подсоединил правильно, так что вряд ли проблема в ошибках сборки схемы. Еще я заметил что резисторы которые мне прислали с 5% отклонением, не знаю на сколько это важно для работы схемы, но например вместо 10кОм там фактически 9,75 - 9,8кОм. Стоил ли добавлять сопротивление до 10кОм ровно?
Ответить | Ответить с цитатой | Цитировать
0 # Александр 02.05.2022 19:23
:Желтый светодиод горит даже если ручка мощности на нуле.
Ответить | Ответить с цитатой | Цитировать
0 # Александр 02.05.2022 19:20
Здравствуйте, я заменил усилители на mik4558, синий светодиод начал мигать но слабо, если при этом немного выкрутить ручку мощности. Но если ручку мощности выкрутить на половину он все равно горит, даже без mp3 сигнала. Но теперь еще появилась небольшая проблемка, постоянно горит с небольшой яркостью желтый светодиод. Возможно проблема в том что я поставил вместо указанных в схеме транзисторов bc 807 и bc817, bc327 и bc337, они очень похожи. Просто на макетной плате smd транзисторы неудобно распаивать, а bc807 и bc817 в корпусе sot54, то есть в корпусе для установки в плату со сквозными отверстиями я не нашёл. И ещё важен ли коэффициент усиления транзисторов по току для работы схемы? Транзисторы bc807, bc817 и bc327, bc337 бывают с разным коэффициентом что обозначается цифрами на конце после основного обозначения транзистора 16, 25, 40, этот момент на схеме не обозначен. Также я пробовал ставить все усилители на место усилителя u3 и вводить катушку в резонанс и схема работала в таком режиме, желтый и зеленый светодиод загорались, индикатор поля тоже горел.
Ответить | Ответить с цитатой | Цитировать
0 # Александр 21.04.2022 19:21
Здравствуйте, я собрал генератор по последней схеме, но у меня не мигает синий светодиод при частотной и амплитудной модуляции, как на видео "BeVBR-расширение лечебных возможностей прибора вихревого биорезонанса". Этот светодиод просто горит или гаснет в зависимости от положения регулятора мощности. Также он загорается с задержкой, где-то после 10 секунд с момента включения схемы. В чем может быть проблема, или это нормальное поведение данного светодиода? Жёлтый и зелёный светодиодны загораются при вхождении в резонанс катушки, при перемещении регуляторов мощности и частоты относительно их нулевого положения.
Ответить | Ответить с цитатой | Цитировать
0 # Николай 22.04.2022 13:03
Здравствуйте, Саша!
Скорее всего у Вас не работает схема на операц. усилителе U2. Если ошибок монтажа нет, то нужно её заменить. Вместо TL072(82) (с которыми часто бывают проблемы) сюда можно поставить что то другое, например, JRC4558D.
Синий светодиод начинает светиться при подаче модулирующего сигнала с МП3 плеера с достаточной громкостью (через AUX или блютуз). На U2 собран буферный усилитель этого сигнала для модулятора и для индикатора.
Ответить | Ответить с цитатой | Цитировать
0 # Александр 01.10.2021 19:59
Кажется понял, это обозначение корпуса микросхемы на схеме u2 это №2, u3 это №3, я правильно понимаю?
Ответить | Ответить с цитатой | Цитировать
0 # Александр 01.10.2021 19:49
Здравствуйте, у меня вопрос по схеме. По операционным усилителям Tl072 не очень понятно как маркировка их корпуса из схемы U2 и U3 соотносится с маркировкой корпусов производителя. Они выпускаются в корпусах SO-8 (smd исполнение), и DIP-8 для монтажа в плату с отверстиями, в datasheet информацию о корпусах с маркировкой U2 и U3 не нашёл.
Ответить | Ответить с цитатой | Цитировать
0 # Николай 02.10.2021 09:23
Здравствуйте, Александр!
В одном корпусе два усилителя.
Ответить | Ответить с цитатой | Цитировать
0 # Виктор 26.06.2021 16:24
Здравствуйте
Как можно получить платы к схемы VBR_AF_T_v.2.3
в формате lay6
Спасибо за ответ
Ответить | Ответить с цитатой | Цитировать
0 # Николай 27.06.2021 10:10
Обсудили этот вопрос в Телеграм чате.
Ответить | Ответить с цитатой | Цитировать
0 # Александр Викторович 22.01.2021 12:50
Как можно купить у Вас VBR-AF и флешку с файлами модуляции ? Проблема с дисбактериозом кишечника с преобладанием грибковой флоры. Хотел бы провести лечение VBR с нужной модуляцией.
Ответить | Ответить с цитатой | Цитировать
0 # Николай 23.01.2021 08:01
Ответил Вам на почту.
Ответить | Ответить с цитатой | Цитировать
0 # Александр Викторович 25.01.2021 09:08
Цитирую Николай:
Ответил Вам на почту.

Николай, к сожалению, ответа в моей почте НЕТ. Пожалуйста, повторите его еще раз. Моя почта - Александр Иванов (в адресе почты стоят точки между фамилией и инициалами и между инициалами и GML). Спасибо.
Ответить | Ответить с цитатой | Цитировать
0 # Николай 25.01.2021 09:30
Скорее всего, письмо попало в спам.
Повторил с другого почтового сервера.
Ответить | Ответить с цитатой | Цитировать
0 # Petrov 17.01.2021 16:54
Здравствуйте, я так понял, что еще будут коррекции в схеме или только в номиналах деталей?И еще -так как я делаю только вариант с ЧМ можно ли убрать резистори
R12, R13? Кстати я спрашивал у Мишина какого типа модуляции он приненяет-он ответил ,что комбинированная-ЧМ+АМ. И мне кажется, что ЧМ в Вашем приборе тоже такая так как меняется и частота и амплитуда сигнала.
Ответить | Ответить с цитатой | Цитировать
0 # Николай 18.01.2021 18:53
Здравия!
Резисторы убирать нельзя.

Будут скорректированы номиналы и добавлен один резистор.
Ответить | Ответить с цитатой | Цитировать
0 # Валентин 13.01.2021 11:15
Цитирую Николай:

Вы хотите, чтобы у меня было всё идеально - так подключайтесь, помогайте. Вместе мы больше успеем сделать с меньшим количеством ошибок.


- уже! Я рисую в Multisim первую версию V2.1 (вашу авторскую) добавив новые элементы в программу коих не было. Составить свою карту напряжений по самой схеме и как обстоит дело на моем приборе (как неработающем - в виде примера). И вышлю вам ВСЕ только после того, как схема будет адекватно работать в модуляторе Мультисима или Кикада (Если там есть) и у меня.

Цитирую Николай:
И много времени уходит на ответы на вопросы.
.


- о да, я заметил и хочу помочь. Кстати, подсказал вам как избежать кучи вопросов (карта напряжений и логики токов, и движений в схеме по каждому прибору и все! снимет как рукой все вопросы))) Именно это я делаю сейчас в Мультисим (Закончил - сравниваю, впаиваю выпаиваю и прочее). Вышлю вам однозначно - так как мне этого ОЧЕНЬ не хватало.
И - количество комментариев на сайте и под видео Ютуб увеличивают количество заходов поисковых роботов и выдачу в сети интернет по ближайшим вопросам сети (при верно поставленном вопросе и ответе на него, а это мы умеем и делаем уже)))
Ответить | Ответить с цитатой | Цитировать
+1 # Николай 12.01.2021 18:30
Если бы в схеме была путаница, Кикад бы не дал мне развести плату.
TL072 два корпуса U2 и U3
TP1-16 мне пришлось ввести из-за особенностей Кикада, мне нужны были контакты для пайки кроссировки. Может есть и другие способы, но я решил эту задачу так. В Кикаде я не профи пока.
VCC - это шина +12 вольт, которая идёт, в том числе и на 4 ножку XR2206
Батареек нет никаких. U3B - это источник опорного +6 вольт, которое подаётся в схему туда, где написано +6 V
U4 - источник питания +5Вольт для блютуз.
Ответить | Ответить с цитатой | Цитировать
0 # Валентин 13.01.2021 11:26
Цитирую Николай:
Если бы в схеме была путаница, Кикад бы не дал мне развести плату.
TL072 два корпуса U2 и U3

- хм...ну ладно. Хоть что-то кстати важное прояснилось.

У меня хорошо получается в Multisim - поэтому туда и перерисовал и там же тестирую работоспособность схемы пока не понимаю почему желтый(он же красный) горит если убрать землю с линии куда концом подсоединен r22 R26 R29, когда убираю землю на R32 начинает прыгать напряжение и включается желтый - даже если МК2206 обрезана по всем дорожкам и если подключена - при подаче на МП3 сигнал с генератора в Мультисим). Все файлы для модуляций тестов вышлю (и доп файлы куда положить чтобы все заработало) только куда?
Ответить | Ответить с цитатой | Цитировать
0 # Николай 13.01.2021 15:45
Спасибо, Валентин!
У меня сейчас со временем сложновато, давайте немного позже. Всё равно сейчас не смогу разбираться, тем более, что Мультисима у меня нет, нужно ставить. А это дополнительные затраты по времени.
Ответить | Ответить с цитатой | Цитировать
0 # Валентин 12.01.2021 18:27
а и кстати, в папке на МЕГЕ где схемы лежат, есть папка "от Сергея Заводнова" про V.2.1 , так вот все типа отлично и вроде как прошло модерацию автора V2.1 то есть вашу (раз лежит на сайте), так там вообще засада))))))))))) человек конечно потрудился безусловно все перерисовать в Diptrace или одну сторону ДВУХсторонней платы нарисовать в Sprint_Layout 6.0 (а сторон то две). НО ёжик и тут порылся:
- В спринтлайоут - только одна сторона и не указаны номиналы деталей. Замечу, что часть деталей имеют совсем другую маркировку, чем на вашей Николай схеме V2.1 и чуть иное соединение - то есть в программе номиналы следовало Сергею Заводному указать ручками. Так как сейчас печатку повторить - нереально никому.
- в его же версии для DIPTRACE: тоже самое. Схема - без номиналов, тупо C1, R1, Q1 и т.д. поди догадайся если схема другая в целом. В печатной плате - те же грабли.

Надеемся только на Вашу схему печатку (хоть и в Кикаде) но с учетом всего написанного в комментариях на данной странице ;)

Мир Вашему дому и спокойствия!!! :-)
Ответить | Ответить с цитатой | Цитировать
+1 # Николай 12.01.2021 18:41
Эту разработку не проверял досконально. Человек постарался, потрудился - и хорошо.
Вы хотите, чтобы у меня было всё идеально - так подключайтесь, помогайте. Вместе мы больше успеем сделать с меньшим количеством ошибок.
Пока я сам всё делаю - и схемы, и разводку печати, и синтез лечебных файлов. И много времени уходит на ответы на вопросы.
А так - "под тихую музыку" у меня не получается.
Ответить | Ответить с цитатой | Цитировать
0 # Валентин 12.01.2021 17:21
и кстати: в схеме VBR-AF v2.3 (наверху) TL072 разбита на три части, две из которых полностью повторятся ногами, хотя так не может быть наверное.
- по ТП1-ТП16 -вообще не понятно ;) что и для чего и какой ТП с каким ТП должен соединяться проводом или еще чем. Ведь если бы стояло так: ТП1 и с другой стороны схемы ТП1-1 -то понятно что это звено надо соединит проводом- замкнуть. И т.д. а лучше список конечно в студию)))
- Output J2 это понятное дело на катушку (бублик INI) идет. так? да.
- Все линии помеченные VCC они все идут на ногу №4 VR2206??? или просто на плюс батареи? если батареи, то у вас несколько входов напряжений ведь на схеме расписано.
- в верхней части схемы указан блок V3B TL072 для чего он там и куда подключается его дорожка +6v на схеме не ясно

И как говорится все хорошо, но есть +5v, +6v, +12v а где батарейка?)))) (это как бы образно про все пункты что я написал)

-
Ответить | Ответить с цитатой | Цитировать
0 # Валентин 12.01.2021 14:57
3) Обычно, к авторским схемам прикладывается видео с подробной картой напряжений и токов (прям на схеме обычно рисуют -без ошибок и с указанием точек в которой надо мерить), чтобы если вдруг человек полностью повторивший плату, но столкнувшийся с проблемными новыми деталями (а выяснить какие проблемы новичкам очень сложно, да и опытным зачастую требуется время значительное чтобы вычислить) мог их согласно карте напряжений и токов спокойно мультиметром определить "где, кто косячит" (если плата вся чистенькая). Для первой версии VBF-V2.1 в первую очередь (так как много повторивших, но не у всех заработало) и для последних.
Далеко ходить не надо с примерами: я делал первую плату ГОД....представьте ГОД...учитывая, что детали получил за неделю. Потому, что вообще не было ни карты напряжений, ни чего, а детали новые и вы не поверите, но ровно 45% всех деталей на плате были БРАК и он же не возвратный в радиомагазинах. А теперь представьте, что детали определялись по одной...включалось потом опять по разному и опять на те же грабли и опять выявлялась новая негодная и в какой то момент понимаешь что бросаешь плату в 20-й раз, но нужно ведь сделать (учитывая, что детали не горели, они сразу были в обрыве или в замыкании).
Уверен, многим поможете. Надеюсь только я заманался с нею настолько, что...))))).

Мир Вашему дому! :-)
Ответить | Ответить с цитатой | Цитировать
0 # Валентин 12.01.2021 14:56
Добрый день Николай!
Благодарю за доработку! Выложите пожалуйста файл самой ПРАВИЛЬНОЙ печатной платы, с указанием корректных деталей (понятно, что она двух сторонняя, их также можно печатать на двухсторонней плате самостоятельно, а заказывать довольно дорого либо долго, либо потеряют и опять заказ).
Печатка, что указана в ПДФ файле, плохо перерисовывается (размерность). Гораздо удобнее и проще для повторения это открыть сам файл именно в самой программе, где он делался. Программ ведь полно и скачать их если нету - не проблема.

2) Видео с тестами и прочим пожалуйста не сжимайте до 240мп смотреть ведь проблематично, а у всех поголовно уже нормальный интернет, чтобы смотреть в нормальном высоком разрешении (понятно что весит больше, но ведь хорошим и благим делом занимаетесь).
Ответить | Ответить с цитатой | Цитировать
+1 # Николай 12.01.2021 17:43
Здравия, Вам, Валентин!
1. Использовал Кикад. Могу выложить проект в его формате. Но он противный насчёт зависимостей библиотек. Сейчас изготавливаю первую партию приборов по этой схеме, будут уточнения по номиналам. Да и напрасно убрал резистор на землю на входе канала модуляции. Короче, по итогам первой партии сделаю уточнения и выложу.
2. Интернет хороший, но не у всех. У меня 0,6 Мб/сек считается супер. Сильно пересечённая сельская местность.
3. Прекрасно понимаю, о чём Вы пишете. Сегодня сам потерял кучу времени из-за бракованных TL082.
Обещать всё сделать идеально не могу. Пока банально на всё не хватает времени
Ответить | Ответить с цитатой | Цитировать
0 # Валентин 12.01.2021 18:10
Цитирую Николай:
Короче, по итогам первой партии сделаю уточнения и выложу.

- это здорово! (вы про VBR-AF V2.1?) или про обе (VBR-AF V2.1 и VBR-AF V2.3?)

Цитирую Николай:
Сильно пересечённая сельская местность.

- ооооо...я тоже в сельской местности...до города аж 285 км...автобусы туда ходят раз в три недели. Интернет есть - слава богу, более менее нормальный, даже на 720 разрешении особо не лагает, хотя есть но чуть чуть прям не вызывая дискомфорта, а городским да, там млин аж очень высокая скорость.

Цитирую Николай:
Обещать всё сделать идеально не могу.

- можете можете)) человеческие возможности при спокойном сидении за компом и в тишине под спокойную музыку - просто бесконечны) мы в Вас верим!!!!

- про TL082 - самая классная, что мне встречалась это с надписью на самой TLки сверху на корпусе "TL082CN KE2016" кто изготовитель без понятия, так было написано на самом корпусе (только такие теперь и покупаю), остальные да, очень много брака.
Ответить | Ответить с цитатой | Цитировать